匠心 服務 創新 品質

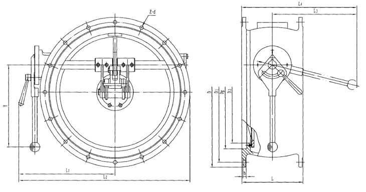
手動雙連桿密閉閥門是設置在通風系統中,其特點是能阻止毒劑通過管道進入工程內部,也可用于轉換通風方式。

| 型號 | 直徑Dg | 直徑D | 直徑D1 | 直徑D2 | 輪廓尺寸L | 輪廓尺寸L1 | 輪廓尺寸L2 | 輪廓尺寸L3 | 輪廓尺寸L4 | 輪廓尺寸H | 邊厚B | 孔數Z | 孔徑D |
|---|---|---|---|---|---|---|---|---|---|---|---|---|---|
| SMF15 | 150 | 280 | 250 | 150 | 152 | 216 | 356 | 289 | 365 | 280 | 12 | 13 | 10 |
| SMF20 | 200 | 310 | 280 | 182 | 152 | 230 | 385 | 289 | 365 | 280 | 12 | 13 | 10 |
| SMF30 | 300 | 410 | 380 | 282 | 172 | 280 | 485 | 289 | 375 | 280 | 12 | 13 | 13 |
| SMF40 | 400 | 495 | 495 | 360 | 216 | 343 | 608 | 298 | 406 | 290 | 12 | 16 | 13 |
| SMF50 | 500 | 600 | 600 | 460 | 229 | 396 | 716 | 298 | 413 | 290 |